Магазин запчастей для бытовой техники - Arlos
Москва
close
Выберите ваш регион
АбаканАлександровАльметьевскАнгарскАрзамасАрмавирАртемАрхангельскАстраханьАчинскБалаковоБалашихаБеларусьБелгородБердскБерезникиБийскБлаговещенскБратскБрянскВеликий НовгородВидноеВладивостокВладикавказВладимирВолгоградВолгодонскВолжскийВологдаВолховВоркутаВоронежВоскресенскВыборгГатчинаГеленджикГрозныйДедовскДербентДзержинскДзержинскийДимитровградДмитровДолгопрудныйДомодедовоДонецкЕвпаторияЕгорьевскЕкатеринбургЕлецЕссентукиЖелезногорскЖелезнодорожныйЖуковскийЗеленоградЗлатоустИвановоИвантеевкаИжевскИркутскИстраЙошкар-ОлаКазаньКалининградКалугаКаменск-УральскийКамышинКаспийскКемеровоКерчьКировКисловодскКлинКовровКоломнаКомсомольск-на-АмуреКопейскКоролёвКостромаКотельникиКрасногорскКраснодарКраснознаменскКрасноярскКурганКурскКызылЛенинск-КузнецкийЛипецкЛобняЛыткариноЛюберцыМагнитогорскМайкопМалаховкаМахачкалаМиассМоскваМурманскМуромМытищиНабережные ЧелныНазраньНальчикНаро-ФоминскНахабиноНаходкаНевинномысскНефтекамскНефтеюганскНижневартовскНижнекамскНижний НовгородНижний ТагилНовокузнецкНовокуйбышевскНовомосковскНовороссийскНовосибирскНовоуральскНовочебоксарскНовочеркасскНовошахтинскНовый УренгойНогинскНорильскНоябрьскОбнинскОдинцовоОктябрьскийОмскОрелОренбургОрехово-ЗуевоОрскПавловский ПосадПензаПервоуральскПермьПетрозаводскПетропавловск-КамчатскийПодольскПрокопьевскПсковПушкиноПятигорскРаменскоеРеутовРостов-на-ДонуРубцовскРыбинскРязаньСакиСалаватСамараСанкт-ПетербургСаранскСаратовСевастопольСеверодвинскСеверскСергиев ПосадСерпуховСимферопольСмоленскСосновый БорСочиСтавропольСтарый ОсколСтерлитамакСтупиноСургутСызраньСыктывкарТаганрогТамбовТверьТихвинТольяттиТомилиноТомскТроицкТулаТюменьУлан-УдэУльяновскУссурийскУсть-ИлимскУфаУхтаФеодосияФрязиноХабаровскХанты-МансийскХасавюртХимкиЧебоксарыЧелябинскЧереповецЧеркесскЧеховЧитаШахтыЩелковоЭлектростальЭлистаЭнгельсЮжно-СахалинскЯкутскЯлтаЯрославль
  • - бесплатно по РФ
    Автоперезвон. Работает по принципу: Вы позвонили на номер, мы сбрасываем звонок и перезваниваем через 3 секунды.
  • - по Москве
  • 8 (925) 663-83-63

Call-центр

пн-вс: 10:00-19:00

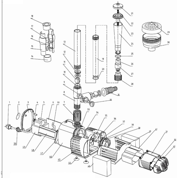
Насос фонтанный ЗНФГ-50-3.4

Данная модель имеет несколько схем

NАртикулНазваниеСрок отгрузкиЦенаКупить
1 N000-028-138 Кабель с вилкой
2 N000-028-139 Табличка
3 N000-028-140 Крышка задняя
4 N000-028-141 Трубка воздушная
5 N000-028-142 Соленоид
6 N000-028-143 Стенка левая
7 N000-028-144 Переходник
8 N000-028-145 Тройник
9 N000-028-146 Кольцо уплотнительное
10 N000-028-147 Прокладка
11 N000-028-148 Шарик крана
12 N000-028-149 Шайба
13 N000-028-150 Трубка удлинительная
14 N000-028-151 Втулка P350 обжимная нижняя
15 N000-028-152 Часть патрубка P350
16 N000-028-153 Шток распылителя P350
17 N000-028-154 Шарик распылителя P350
18 N000-028-155 Втулка P350 обжимная верхняя
19 N000-028-156 Трубка средняя
20 N000-028-157 Кольцо уплотнительное
21 N000-028-158 Распылитель Р150
22 N000-028-159 Пружина Р150
23 N000-028-160 Вставка Р150
24 N000-028-161 Патрубок Р150
25 N000-028-162 Кольцо уплотнительное Р150
26 N000-028-163 Втулка Р150
27 N000-028-164 Рукав насадки Р150
28 N000-028-165 Соединитель
29 N000-028-166 Насадка Р250
30 N000-028-167 Патрубок Р250
31 N000-028-168 Штуцер ″елочка″
32 N000-028-169 Ручка крана
33 N000-028-170 Шайба
34 N000-028-171 Ротор
35 N000-028-172 Крыльчатка
36 N000-028-173 Ось
37 N000-028-174 Кольцо уплотнительное
38 N000-028-175 Крышка крыльчатки
39 N000-028-176 Втулка
40 N000-028-177 Диффузор
41 N000-028-178 Фильтр
42 N000-028-179 Крышка передняя
43 N000-028-180 Фильтр
44 N000-028-181 Опора резиновая
45 N000-028-182 Корпус фильтров
46 N000-028-183 Корпус
47 N000-028-184 Опора
48 N000-028-185 Стенка правая
49 N000-028-186 Рама
50 N000-028-187 Держатель кабеля
51 N000-028-188 Оболочка фильтров
53 N000-028-190 Вывод заземления
Найдено товаров: 52
1
▲ Наверх
0
8 (925) 663-83-63

Call-центр

пн-вс: 10:00-19:00

НАЙТИ ПО МОДЕЛИ
Введите номер заказа
Введите номер своего заказа, что бы узнать его текущий статус.
Что бы получить доступ к расширенным функциям, пройдите не сложную регистрацию. Зарегистрироваться