Магазин запчастей для бытовой техники - Arlos
Москва
close
Выберите ваш регион
АбаканАлександровАльметьевскАнгарскАрзамасАрмавирАртемАрхангельскАстраханьАчинскБалаковоБалашихаБеларусьБелгородБердскБерезникиБийскБлаговещенскБратскБрянскВеликий НовгородВидноеВладивостокВладикавказВладимирВолгоградВолгодонскВолжскийВологдаВолховВоркутаВоронежВоскресенскВыборгГатчинаГеленджикГрозныйДедовскДербентДзержинскДзержинскийДимитровградДмитровДолгопрудныйДомодедовоДонецкЕвпаторияЕгорьевскЕкатеринбургЕлецЕссентукиЖелезногорскЖелезнодорожныйЖуковскийЗеленоградЗлатоустИвановоИвантеевкаИжевскИркутскИстраЙошкар-ОлаКазаньКалининградКалугаКаменск-УральскийКамышинКаспийскКемеровоКерчьКировКисловодскКлинКовровКоломнаКомсомольск-на-АмуреКопейскКоролёвКостромаКотельникиКрасногорскКраснодарКраснознаменскКрасноярскКурганКурскКызылЛенинск-КузнецкийЛипецкЛобняЛыткариноЛюберцыМагнитогорскМайкопМалаховкаМахачкалаМиассМоскваМурманскМуромМытищиНабережные ЧелныНазраньНальчикНаро-ФоминскНахабиноНаходкаНевинномысскНефтекамскНефтеюганскНижневартовскНижнекамскНижний НовгородНижний ТагилНовокузнецкНовокуйбышевскНовомосковскНовороссийскНовосибирскНовоуральскНовочебоксарскНовочеркасскНовошахтинскНовый УренгойНогинскНорильскНоябрьскОбнинскОдинцовоОктябрьскийОмскОрелОренбургОрехово-ЗуевоОрскПавловский ПосадПензаПервоуральскПермьПетрозаводскПетропавловск-КамчатскийПодольскПрокопьевскПсковПушкиноПятигорскРаменскоеРеутовРостов-на-ДонуРубцовскРыбинскРязаньСакиСалаватСамараСанкт-ПетербургСаранскСаратовСевастопольСеверодвинскСеверскСергиев ПосадСерпуховСимферопольСмоленскСосновый БорСочиСтавропольСтарый ОсколСтерлитамакСтупиноСургутСызраньСыктывкарТаганрогТамбовТверьТихвинТольяттиТомилиноТомскТроицкТулаТюменьУлан-УдэУльяновскУссурийскУсть-ИлимскУфаУхтаФеодосияФрязиноХабаровскХанты-МансийскХасавюртХимкиЧебоксарыЧелябинскЧереповецЧеркесскЧеховЧитаШахтыЩелковоЭлектростальЭлистаЭнгельсЮжно-СахалинскЯкутскЯлтаЯрославль
  • - бесплатно по РФ
    Автоперезвон. Работает по принципу: Вы позвонили на номер, мы сбрасываем звонок и перезваниваем через 3 секунды.
  • - по Москве
  • 8 (925) 663-83-63

Call-центр

пн-вс: 10:00-19:00

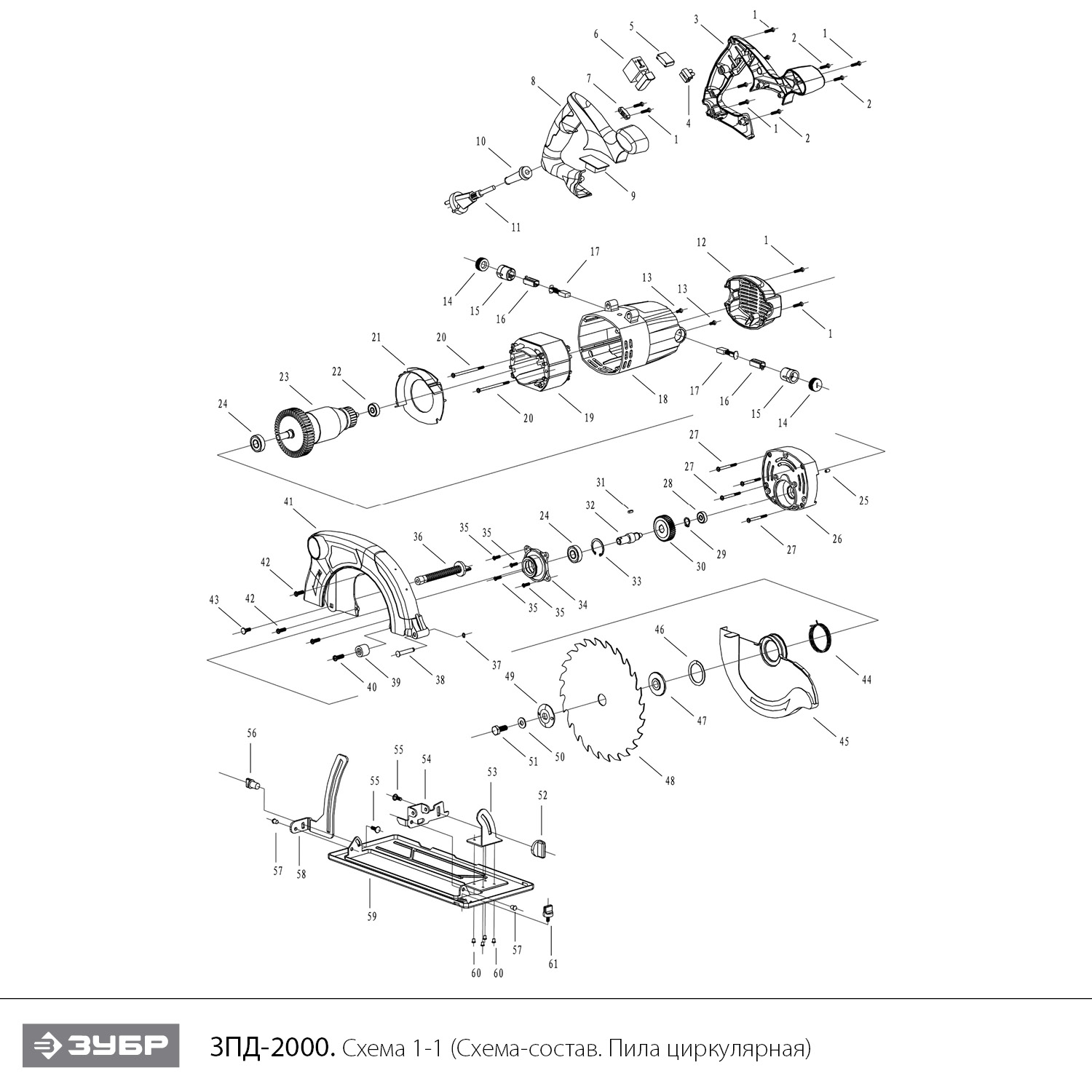
Пила циркулярная ЗПД-2000

Данная модель имеет несколько схем

NАртикулНазваниеСрок отгрузкиЦенаКупить
1 UM02-000-027 Саморез 4x18 PH2 92 р.
1.09 U009-607-RS0 Подшипник шариковый 607 RS (19х7х6) U009-607-RS0 для болгарок УШМ-П125-850, AGS-125-1000 286 р.
1.20 U009-608-RS0 Подшипник шариковый 608-2RS (22х8х7) U009-608-RS0 для пил ЗПС-850 Э, ЗПТ-210-1300-Л 306 р.
2 UM06-001-004 Кольцо стопорное D11 разжимное UM06-001-004 для ЗДА-9.6-К, ЗНАС-1000 46 р.
3 U505-200-003 Ручка левая часть 369 р.
4 UM06-000-004 Кольцо стопорное D5 UM06-000-004 для ЗПД-2000, ЗУШМ-115-600 81 р.
4 U103-600-040 Клеммник 92 р.
5 U353-110-055 Конденсатор 0.22 мкФ 92 р.
6 U505-200-006 Выключатель FA7-10/2 10(10)A 250V~ 5E4 353 р.
7 U362-110-045 Прижим шнура 92 р.
8 U505-200-008 Ручка правая часть 369 р.
9 U505-200-009 Блок плавного пуска 04-210 549 р.
10 U098-001-001 Воротник шнура 92 р.
11 U099-004-006 Шнур сетевой H05RN-F Rubber 2Gх1мм2 2м 189 р.
12 U505-200-012 Крышка задняя 189 р.
13 UM02-000-093 Саморез 4x10 PH2 92 р.
14 U505-160-015 Крышка щеткодержателя 189 р.
15C U505-200-015-C Щеткодержатель D22хL30 в сборе 212 р.
17 U505-200-017-W Щетка графитовая (пара) 6.5х11х19 286 р.
18 U505-200-018 Корпус двигателя U505-200-018 для пил ПД-75, ЗПД-2000 474 р.
19 U505-200-019 Статор 3.607 р.
21 U505-200-021 Защита статора 173 р.
23 UM04-002-016 Шайба D17хd8.5х2 UM04-002-016 для пил циркулярных ПД-55, ЗПД-1300 88 р.
23 U505-200-023 Ротор КД (z=7) 3.810 р.
24 U009-600-1RS Подшипник шариковый 6001-2Z (28х12х8) CHFZ 286 р.
24 U505-200-049 Фланец прижимной внешний D40х4.5 U505-200-049 для пил ПД-75, ЗПД-2000 131 р.
25 U505-130-021 Штифт резиновый D5х8
26 U505-200-047 Фланец прижимной D30 внутренний D40x9 U505-200-047 для пил ПД-75, ЗПД-2000 252 р.
26 U505-200-026 Промщит 868 р.
30 U505-200-030 Шестерня 674 р.
31 U505-200-031 Шпонка 3х3х10 92 р.
32 U505-200-032 Шпиндель под шпонку M6 U505-200-032 для пилы ЗПД-2000 344 р.
33 UM06-002-004 Кольцо стопорное сжимное D30 92 р.
34 U505-200-034 Фланец 286 р.
35 UM01-000-018 Винт M4x14 РН2 92 р.
36 U255-122-039 Ручка глубиномера 189 р.
38 U505-200-038 Штифт 70 р.
39 U505-200-039 Отбойник резиновый 25 р.
40 UM01-000-134 Винт M6x24 РН2
41 U505-200-041 Кожух диска 1.602 р.
42 UM01-000-078 Винт M5x15 РН2 92 р.
43 U255-120-044 Винт M6х16 92 р.
44 U505-200-044 Пружина кручения D50xd47.5xh6 94 р.
45 U505-200-045 Кожух подвижный 1.016 р.
46 U505-130-035 Пружина стопорная D38.1хd33.1х1.3 56 р.
51 UM03-000-021 Болт M8x20 усиленный 63 р.
52 U255-122-062 Гайка-барашек М5 92 р.
53 U505-200-053 Кронштейн
54 U505-200-054 Скоба
55 U155-150-058 Болт M5х12 мебельный 92 р.
56 U255-122-057 Гайка-барашек М5 40 р.
57 U255-120-066 Заклепка 92 р.
58 U505-200-058 Глубиномер
59 U505-200-059 Стол 1.935 р.
60 U505-900-061 Заклепка
61 U255-122-063 Винт-барашек M5 40 р.
76 UM04-001-003 Шайба-гровер D5 92 р.
77 UM04-001-002 Шайба-гровер D4 92 р.
78 U505-200-032-C Шпиндель M6 в сборе с шестерней (EV 30-34) # 987 р.
Найдено товаров: 59
1
▲ Наверх
0
8 (925) 663-83-63

Call-центр

пн-вс: 10:00-19:00

НАЙТИ ПО МОДЕЛИ
Введите номер заказа
Введите номер своего заказа, что бы узнать его текущий статус.
Что бы получить доступ к расширенным функциям, пройдите не сложную регистрацию. Зарегистрироваться